Titan News 2026


April 18, 2026: A New Study Proposed By MIT Researchers Reveals The Potential Characteristics Of Waves On Worlds Like Titan Or Kepler 1649-b

A new study entitled "Modeling Wind-Driven Waves on Other Planets: Applications to Mars, Titan, and Exoplanets", proposed by a team of researchers involving Una G. Schneck and Andrew D. Ashton and published on April 3, 2026 in the Journal of Geophysical Research: Planets reveals the potential characteristics of waves on different worlds depending on key factors like gravity, atmospheric pressure, air density or the composition of the liquid. In the Solar System, there are not numerous worlds that contain stable lakes, seas or oceans on their surface. We live in an ocean world where about 71 percent of the surface is covered with liquid water. Beyond the Earth, there is also a particular world where stable pools of liquids can be found. That world is Titan, the largest moon of the Gas Giant Saturn. Planetologists are particularly interested in the potential composition and in the potential dynamics of the lakes, seas or rivers of Saturn's largest moon. The new study is based on a wave model that was applied to Mars, Titan, Kepler 1649-b, LHS 1140-b and 55 Cancri-e. The physical and chemical conditions can be radically different from one world to another world making the analytical work particularly complex.

The team of Una G. Schneck adapted a physics-based numerical wave model to study the influence of the environmental conditions on the physical characteristics of the waves. The behavior of the waves will be different depending on the level of gravity, depending on the atmospheric pressure, depending on the air density, depending on the density of the liquid or depending on the strength of the wind. The researchers envisaged lakes of water on the ancient Mars, lakes of hydrocarbons and nitrogen on Titan today and in the past, pools of sulfuric acid on the exo-Venus Kepler 1649-b, liquid water on the super-Earth LHS 1140-b as well as liquid rock on the super-Earth 55 Cancri-e. Their simulations were applied to those types of environments where ambient temperatures or gravity can be very different. It turns out that the waves will tend to be bigger for the liquids that have a weaker surface tension and that undergo a higher atmospheric pressure and a lower gravity. The waves tend to grow taller if they are less dense and if they undergo a higher atmospheric pressure and a lower gravity. Each world will have its own physical or environmental conditions and the dynamics of any lake, sea or ocean on that world will tend to be strongly influenced by those fundamental conditions.

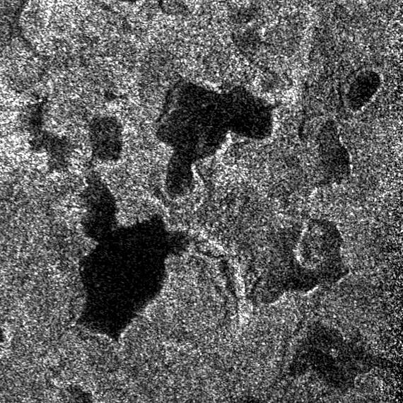
The image above represents a portion of a radar swath acquired from the Cassini orbiter during the T-92 Flyby of Saturn's largest moon performed on July 10, 2013. The file name of the original image is BIFQI39N235_D250_T092S01_V03.jpg. One can clearly see numerous islands in a pool of exotic liquids. The pool may be dominated by light hydrocarbons like methane and ethane. Are there strong waves or high waves in that lake or sea ? Credit for the original image: PDS Image Atlas. Montage credit: Marc Lafferre, 2026.

- Read More...

 

 

March 20, 2026: Can The Earth Represent A Natural Laboratory To Understand A World Like Titan ?

A new study entitled « Terrestrial Analogs to Titan for Geophysical Research », proposed by a team of researchers involving Conor A. Nixon and several other planetologists and published in arXiv on February 19, 2026 reveals the geophysical and geological parallels between our own planet and Titan, the largest moon of Saturn. The study mobilized many specialists to explore and to study areas of the Earth in order to extrapolate what we could find on a world like Titan where common meteorological phenomena could be encountered. The Earth and Titan unveil varied landscapes from dune fields to mountains, irregular terrains, lakes, seas, rivers or tectonic phenomena. From outer space, Titan looks like Venus to a certain extent because its atmosphere appears completely opaque and roughly uniform in the visible spectrum from any spacecraft. However, the surface conditions on Titan are radically different from the surface conditions on Venus simply because the Opaque Moon evolves much farther from the Sun and because the greenhouse effects are much more limited on Titan. The environmental temperature on Titan is much lower than the lowest environmental temperature encountered on Earth, in the Antarctic for instance.

In an environment where the level of energy received from the Sun is particularly low, at a distance of around 1.4 billion kilometers from the Sun, the environmental temperature at the level of the surface is around -179 degrees Celsius, -290 degrees Fahrenheit or 94 Kelvin. That's a really harsh environment that contrasts with the environment of Venus where the surface temperature is so high that lead can be found in its liquid form on the surface for instance. In the environment of Titan, molecules like methane, ethane and propane can be found in their liquid form on the surface. In other words, they could form lakes, seas or rivers in the exotic environment of the largest moon of Saturn. And that's what we have been in a position to observe beneath the veil of the atmosphere of Titan thanks to the Cassini orbiter that has acquired a huge amount of data during its orbital dance of Saturn and its moons from 2004 to 2017. The Earth is not the only world of the Solar System where stable pools of liquid can be found ! Titan is also a sea world and the humid areas tend to be found in the high latitudes of each hemisphere. There is a meteorology dominated by water on Earth whereas there is a meteorology dominated by methane and ethane on Titan.

The image in the upper part of the table represents a portion of a radar swath of Titan obtained from the Cassini orbiter during the T-19 Flyby performed on October 9, 2006. The file name of the original view is BIFQI69N342_D100_T019S01_V03.jpg. Each side of the view represents about 100 kilometers. The image in the lower part of the table represents the same view with a grid for the scale. Each square of the grid is about 10 kilometers long. Several lakes can be clearly discerned in the image. Credit for the original view: PDS Image Atlas. Montage credit: Marc Lafferre, 2026.

- Read More...

 

 

February 14, 2026: Titan And Hyperion May Be The Outcome Of A Collision Between Two Moons

A new research work entitled « Origin of Hyperion and Saturn's Rings in A Two-Stage Saturnian System Instability », published in arXiv on February 9, 2026, accepted for publication in the Planetary Science Journal and proposed by a team led by Matija Cuk suggests that Titan and Hyperion could be the outcome of a collision between two moons. Titan is the largest moon of Saturn whereas Hyperion is a relatively small moon of the Ringed Planet that orbits farther away from the Gas Giant. The simulations show that a giant impact between the Proto-Titan and the Proto-Hyperion could have engendered the current configuration of the Saturn System in terms of orbital or physical characteristics. Hyperion is clearly a strange moon with strange craters, an irregular shape and an unstable inclination of its rotation axis. Titan is also a surprising moon with a deep and thick atmosphere and with a diversified landscape in which craters are relatively scarce. The researchers of the study imagine that the Proto-Titan could have resembled a cratered moon like Callisto. Hyperion could have taken shape on the basis of the debris related to the collision.

The new scenario put forward by the team of Matija Cuk, a scientist of the SETI Institute, can explain the unusual orbit of the Opaque Moon, the relatively limited amount of impact craters on Titan, the odd tilt of Iapetus, a major moon of Saturn evolving much farther from the Gas Giant than Titan as well as the surprising young age of Saturn's rings. The planetologists advance that a major moon may have collided with the Proto-Titan to engender the Orange Moon and the much smaller moon Hyperion. One can easily imagine a giant cloud of debris, dust, icy particles or gas engendering several moons or a new moon via aggregation and accretion processes. The simulations developed by the group of researchers lead to that potential configuration rather than a configuration in which the presumed ancient moon engendered the formation of the rings we know today. The presumed impact of the Proto-Titan and of the Proto-Hyperion may have engendered an alteration of the orbit of Titan destabilizing inner moons through orbital resonances. In that unstable environment, new collisions may have occurred and may have engendered the migration of scattered material inward leading to the famous rings of Saturn we all know.

The image above reveals a portion of Titan as well as the little moon Hyperion at scale. The portion of Titan was generated on the basis of a global mosaic of its surface in the near-infrared at 938 nanometers. The file name of the global mosaic is PIA22770.jpg. The view of Hyperion was produced on the basis of data obtained on September 25, 2005 from the Cassini spacecraft. The file name of the original view of Hyperion is N00040238.jpg. Those moons of the Ringed Planet may result from a collision between the Proto-Titan and the Proto-Hyperion. Credit for the original view of Hyperion: NASA/JPL-Caltech/Space Science Institute. Credit for the global mosaic of Titan: NASA/JPL-Caltech/University of Arizona. Montage credit: Marc Lafferre, 2026.

- Read More...

 

 

Titan News 2025
Titan News 2024
Titan News 2023
Titan News 2022
Titan News 2021
Titan News 2020
Titan News 2019
Titan News 2018
Titan News 2017
Titan News 2016
Titan News 2015
Titan News 2014
Titan News 2013
Titan News 2012
Titan News 2011
Titan News 2010
Titan News 2009
Titan News 2008
Titan News 2007
Titan News 2006
Titan News 2004, 2005

Back to Main Page